1.SDカード(2Gまでのもの)を FAT、標準のアロケーションサイズで
フォーマットします。
2.ルートディレクトリに.DSK ファイル (143360バイト) を置く。
3.Apple II に SDISK II を接続します。
1)Apple II / II Plus / IIe では DISK II インターフェース・カードが必要です。
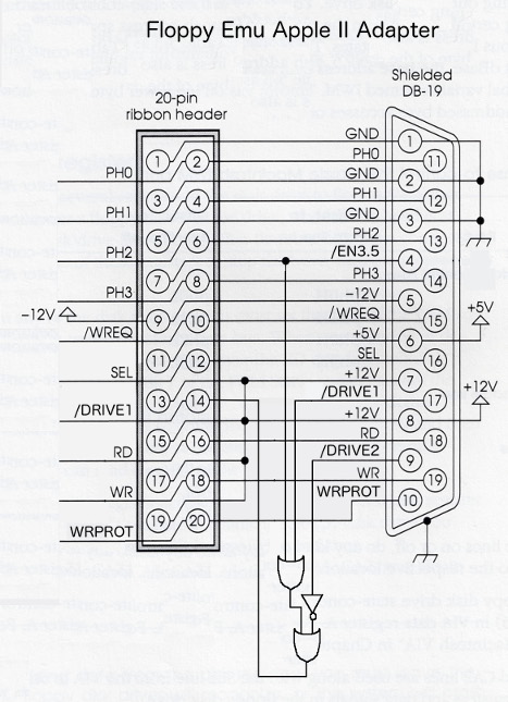
2)Apple IIgsは、 SDISK II 用 DB-19 アダプターが必要です。
4.Apple II を起動します。
5.SDカードに.NICファイルが無い場合、起動時に.DSKファイルから.NICファイルが
作成されます。
6.SDカードの.NICファイルからブートされます。
注意:.NICファイルが複数ある場合は、一番タイムスタンプの遅いものがマウントされます。